


產品中心
傳動鏈條
- 標準傳動鏈條 >
- 重載系列傳動滾子鏈條 >
- 開口銷型傳動滾子鏈條 >
- 高強度傳動鏈條 >
- 特殊傳動鏈條 >
- 免加油自潤滑傳動鏈條 >
- 耐環境傳動鏈條 >
- 齒形鏈條 >
- 石油鏈條 >
- 鏈條配件 >
小型輸送鏈條
- 通用小型輸送鏈條 >
- 免加油小型輸送鏈條 >
- 耐環境小型輸送鏈條 >
- 帶滾輪輸送鏈條 >
- 倍速鏈條 >
- 空心銷軸鏈條 >
- 側彎鏈條 >
- 尖齒鏈條 >
- 帶橡膠附板鏈條 >
- 帶U型附件鏈條 >
- 夾膜鏈條 >
- 工程塑料內節鏈條 >
- 塑料滾子鏈條 >
- 塑料輥道鏈條 >
- 中孔鏈條 >
- 特殊小型輸送鏈 >
- 帶特殊附件輸送鏈 >
大型輸送鏈條
- 通用大型輸送鏈條 >
- 特殊大型輸送鏈條 >
- 大型空心銷軸輸送鏈條 >
- 軸承滾子大型輸送鏈條 >
- 耐環境大型輸送鏈條 >
- 帶滾輪大型輸送鏈條 >
- 倍速大型輸送鏈條 >
- 滾針套筒大型輸送鏈條 >
- 帶特殊附件大型輸送鏈條 >
- 針對特殊用途輸送鏈條 >
- 大型輸送鏈條配件 >
特種輸送鏈條
- 電子波峰焊行業應用 >
- 電鍍設備行業應用 >
- 造紙廠行業應用 >
- 制藥廠包裝機行業應用 >
- 汽車廠行業應用 >
- 牙膏包裝輸送線行業應用 >
- 光伏設備制造行業應用 >
- 畜牧業自動化包裝機鏈條 >
- 巧克力食品行業應用 >
- 人造板/木地板制造行業應用 >
- 醫療設備行業應用 >
- 啤酒廠易拉罐生產線輸送鏈條 >
- 速凍隧道鏈條 >
- 糖機鏈條 >
- 啤酒灌裝輸送鏈條 >
- 人造板輸送鏈條 >
- 噴涂設備輸送鏈條 >
- 煙草機械輸送鏈條 >
- 提升機用鏈條 >
- 紡織機械用鏈條 >
- 紙卷用輸送鏈條 >
- 印鐵烘房線鏈條 >
- 雙向活動鏈條 >
- 刮板輸送鏈條 >
- 洗煤機用輸送鏈條 >
- 堆取料機輸送鏈條 >
- 橡膠手套輸送鏈條 >
- 污水處理輸送鏈條 >
- 雙鉸接輸送鏈條 >
- 鋼廠用輸送鏈條 >
- 塊式輸送鏈條 >
- 筑路機械鏈條 >
- 棕油鏈條 >
- 汽車生產線鏈條 >
- 軟管專用鏈條 >
- 聚酯薄膜橫拉鏈條 >
- 鋪路機用鏈條 >
- 包裝機械鏈條 >
- 挖溝機鏈條 >
- 礦山冶金鏈條 >
- 木材輸送鏈條 >
- 糧食機械輸送鏈條 >
- 垃圾處理用輸送鏈條 >
- 鋼卷傳輸用輸送鏈條 >
工程鏈條
- 工程鋼制套筒鏈條 >
- 鋼制銷合鏈條 >
- 焊接結構彎板鏈條 >
- 曳引用焊接結構彎板鏈條 >
起重鏈條
- 板式鏈條 >
- 堆高機用板式鏈條 >
- LH系列板式鏈連接環 >
- LL系列板式鏈連接環 >
- LH系列板式鏈連接銷軸 >
- LL系列板式鏈鏈接銷軸 >
- 多板銷軸鏈條 >
- 無滾子提升鏈條 >
不銹鋼鏈條
- 不銹鋼滾子鏈條 >
- 不銹鋼滾子鏈條附件 >
- 不銹鋼雙節距輸送鏈條 >
- 不銹鋼雙節距輸送鏈條附件 >
- 不銹鋼空心銷軸鏈條 >
- 不銹鋼側彎鏈條 >
- 不銹鋼加長銷輸送鏈條 >
- 不銹鋼倍速鏈條 >
- 不銹鋼帶滾輪輸送鏈條 >
- 不銹鋼大型輸送鏈 >
- 不銹鋼特種輸送鏈條 >
頂板鏈/鏈板
鏈輪
- 銷齒傳動 >
同步帶輪
- XLH標準梯形齒同步帶輪 >
- HTP圓弧齒同步帶輪 >
- T型齒同步帶輪 >
- AT型齒同步帶輪 >
- BTL錐孔同步帶輪 >
- HTP型錐孔同步帶輪 >
齒輪齒條
蝸輪蝸桿
聯軸器
聯結件
- B系列脹緊套 >
- E系列脹緊套 >
- D系列脹緊套 >
- F系列脹緊套 >
- T系列脹緊套 >
- ML系列脹緊套 >
- HL系列脹緊套 >
- SD系列脹緊套 >
- SS系列脹緊套 >
- SK系列脹緊套 >
- BTL系列錐套 >
- QTL系列錐套 >
- STL系列錐套 >
圓環鏈&吊具
- 礦用圓環鏈條 >
- 冶金專用吊具系列鏈條 >
- 吊裝圓環鏈條 >
- 提升圓環鏈條 >
- 船用/捕魚用圓環鏈條 >
- 出渣機用圓環鏈條 >
- 景觀橋索鞍索夾 >
輸送帶
- 鋼絲繩芯輸送帶 >
- 織物芯輸送帶 >
- 礦用耐沖擊輸送帶 >
- 芳綸輸送帶1 >
- 耐高溫輸送帶 >
- 阻燃輸送帶 >
- 金屬網芯輸送帶1 >
- 鋼絲繩牽引輸送帶1 >
- 管狀輸送帶 >
- 花紋輸送帶2 >
- 覆蓋帶 >
- 擋邊輸送帶 >
- 防附著輸送帶2 >
- 節電型輸送帶2 >
- 防撕裂輸送帶 >
- 隧道用輕型鋼絲繩芯輸送帶2 >
- 特殊高伸長度聚酯帆布輸送帶2 >
- 提升帶1 >
- 夾帶式輸送機覆蓋帶1 >
- 水壓機外胎(膠墊)1 >
- 實際案例 >
脹緊套
離合器
過載保護設備
產品介紹規格型號
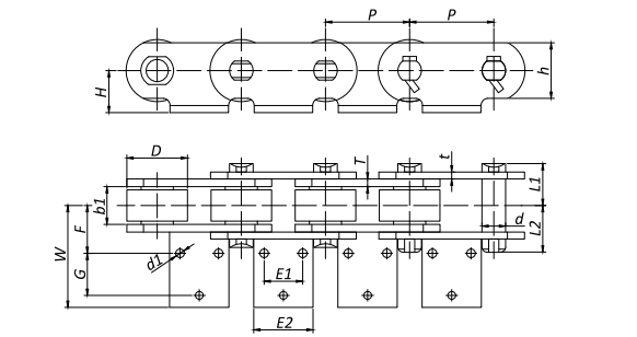
殺菌機鏈條特點 |
◎ 殺菌機鏈條是專門為瓶裝啤酒罐裝生產線的殺菌機設計生產的輸送鏈。
◎ 鏈條滾子為大滾子。
◎ 我司有豐富的客戶使用案例對應的產品,也可根據客戶的需求或者客戶圖紙定制非標產品。
型號表示·訂購方法 |
1.型號表示

(1)殺菌機系列
(2)節距70mm
2.訂購方法
◎ 標準包裝訂購
隆德鏈條一般按標準包裝為單位備常規庫存。1個標準全長使用包含一個接頭供使用。如果需要分成2根以上的使用或還需要更長連接起來使用時,請另行訂購接頭。
◎ 按所需長度訂購
可按照您指定的鏈條長度交貨。先將您所需的鏈條長度換算成鏈條的鏈節數量,再訂購。
3. 訂購鏈條時的注意事項
當鏈條型號不明確時
◎ 必須確認鏈條的規格(強力型、材質等規格)。并向裝置的制造商確認。
◎ 鏈條的鏈板上刻有滾子鏈條的尺寸、規格可供確認。
◎ 請測量鏈條的節距、滾子直徑、內鏈節內寬、鏈板厚度等尺寸。
◎ 電話或者郵件聯系我們的技術人員現場測量確認鏈條的規格。


粵公網安備 44011202001507號