◎ 材料的選用——大鏈輪和小鏈輪都采用優質碳素結構鋼進行沖壓成型。
◎ 加工與處理工藝——采用先進的銑齒加工工藝,使齒形更精確。鏈輪整體進行了調質熱處理,極大地提高了其綜合機械性能,齒形硬度達68-72HRA以上,
使鏈輪的耐磨性顯著提高。表面進行了噴吵、電鍍處理。
◎ 產品系列——經濟實用的普通鏈輪和性能優越的精品鏈輪。
◎ LD80鏈輪適與LD80鏈條配合使用。
◎ 齒端硬化規格
需要提高齒端強度和磨損壽命的場合,推薦使用齒端硬化鏈輪。各個尺寸小齒數的機械用碳素鋼輪轂切削規格,齒端部均實施硬化處理。
◎ 齒端無硬化處理規格
齒端不實施硬化處理。鏈輪大齒數范圍的齒端均為無硬化規格。
| 1列用 | 2列用 | SD |
| 1A | 1B | 1C | 2A | 2B | 2C | (2條掛用)
|
 |  |  |  |   |  | 
|

安裝要求
◎ 正確選用鏈輪型號。
◎ 檢查安裝傳動鏈輪的位置狀態是否良好,否則須檢修或更換相關件。
◎ 按正確方法將主、從動鏈輪安裝到位,且鎖緊緊固件使其達到規定力矩要求。
◎ 裝上傳動鏈條并調整好松緊度后,檢查鏈條與鏈輪配合是否順暢、共面,且與鏈罩無干涉。
使用時的注意事項
◎ 從動鏈輪應有張緊裝置。
◎ 鏈輪和鏈條最好同時更換,若只更換其中之一,會加劇雙方的磨損。
◎ 由于主動鏈輪轉速高、齒數少,在相同條件下,比從動輪磨損快些,屬正常情況。
◎ 要定期地清潔及潤滑傳動鏈條、傳動鏈輪,以提高其使用壽命。
訂購鏈輪時的注意事項
當滾子鏈條和鏈輪型號都不明確時
◎ 必須確認滾子鏈條的規格(強力型、材質等規格)。并向裝置的制造商確認。
◎ 滾子鏈條的鏈板上刻有滾子鏈條的尺寸、規格可供確認。
◎ 請測量滾子鏈條的節距、滾子直徑、內鏈節內寬、鏈板厚度。
◎ 電話或者郵件聯系我們的技術人員現場測量確認鏈條、鏈輪的規格。

齒部無硬化規格
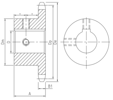
節距1 滾子直徑0.625" 齒寬B1 0.575"
| 隆德型號 | 齒數 | 輪轂類型 | 外徑 | 高度 | 重量 |
| Z | type | De | H | lbs. |
| in. | in. |
| LD80-1B9T-BS | 9 | B | 3.5 | 1 5/8 | 1.6 |
| LD80-1B10T-BS | 10 | B | 3.68 | 1 5/8 | 1.7 |
| *LD80-1B10T-WBS | 10 | B | 3.68 | 1 5/8 | 1.7 |
| LD80-1B11T-BS | 11 | B | 4.01 | 1 5/8 | 1.8 |
| *LD80-1B11T-WBS | 11 | B | 4.01 | 1 5/8 | 1.8 |
| LD80-1B12T-BS | 12 | B | 4.33 | 1 5/8 | 3 |
| *LD80-1B12T-WBS | 12 | B | 4.33 | 1 5/8 | 3 |
| LD80-1B13T-BS | 13 | B | 4.66 | 1 1/2 | 3.5 |
| LD80-1B14T-BS | 14 | B | 4.98 | 1 1/2 | 4.1 |
| LD80-1B15T-BS | 15 | B | 5.3 | 1 1/2 | 5.2 |
| *LD80-1B15T-WBS | 15 | B | 5.3 | 1 1/2 | 5.3 |
| LD80-1B16T-BS | 16 | B | 5.63 | 1 1/2 | 5.5 |
| LD80-1B17T-BS | 17 | B | 5.95 | 1 1/2 | 6 |
| LD80-1B18T-BS | 18 | B | 6.27 | 1 1/2 | 6.5 |
| *LD80-1B18T-WBS | 18 | B | 6.27 | 1 1/2 | 6 |
| LD80-1B19T-BS | 19 | B | 6.59 | 1 1/2 | 7 |
| LD80-1B20T-BS | 20 | B | 6.91 | 1 1/2 | 8 |
| LD80-1B21T-BS | 21 | B | 7.24 | 1 3/4 | 8.9 |
| LD80-1B22T-BS | 22 | B | 7.56 | 1 3/4 | 9.5 |
| LD80-1B23T-BS | 23 | B | 7.88 | 1 3/4 | 10.2 |
| LD80-1B24T-BS | 24 | B | 8.2 | 1 3/4 | 10.8 |
| LD80-1B25T-BS | 25 | B | 8.52 | 1 3/4 | 11.4 |
| LD80-1B26T-BS | 26 | B | 8.84 | 2 | 14 |
| LD80-1B27T-BS | 27 | B | 9.16 | 2 | 14.7 |
| LD80-1B28T-BS | 28 | B | 9.48 | 2 | 15.3 |
| LD80-1B29T-BS | 29 | B | 9.8 | 2 | 16.4 |
| LD80-1B30T-BS | 30 | B | 10.11 | 2 | 16.7 |
| LD80-1B31T-BS | 31 | B | 10.43 | 2 | 18 |
| LD80-1B32T-BS | 32 | B | 10.75 | 2 | 18.8 |
| LD80-1B33T-BS | 33 | B | 10.07 | 2 | 18.9 |
| LD80-1B34T-BS | 34 | B | 11.39 | 2 | 20.6 |
| LD80-1B35T-BS | 35 | B | 11.71 | 2 | 21.4 |
| LD80-1B36T-BS | 36 | B | 12.03 | 2 | 22.4 |
| LD80-1B37T-BS | 37 | B | 12.35 | 2 | 23.9 |
| LD80-1B38T-BS | 38 | B | 12.67 | 2 | 24 |
| LD80-1B39T-BS | 39 | B | 12.99 | 2 | 24.9 |
| LD80-1B40T-BS | 40 | B | 13.31 | 2 | 26 |
| LD80-1B41T-BS | 41 | B | 13.63 | 2 | 27.1 |
| LD80-1B42T-BS | 42 | B | 13.94 | 2 | 28 |
| LD80-1B43T-BS | 43 | B | 14.26 | 2 | 29.3 |
| LD80-1B44T-BS | 44 | B | 14.58 | 2 | 29.3 |
| LD80-1B45T-BS | 45 | B | 14.9 | 2 | 30.7 |
| LD80-1B46T-BS | 46 | B | 15.22 | 2 | 32.4 |
| LD80-1B47T-BS | 47 | B | 15.54 | 2 | 33.3 |
| LD80-1B48T-BS | 48 | B | 15.86 | 2 | 34.8 |
| LD80-1B49T-BS | 49 | B | 16.18 | 2 | 35.1 |
| LD80-1B50T-BS | 50 | B | 16.5 | 2 | 36.6 |
| LD80-1B51T-BS | 51 | B | 16.81 | 2 | 38.5 |
| LD80-1B52T-BS | 52 | B | 17.13 | 2 | 40.3 |
| LD80-1B53T-BS | 53 | B | 17.45 | 2 | 42.2 |
| LD80-1B54T-BS | 54 | B | 17.77 | 2 | 44 |
| LD80-1B55T-BS | 55 | B | 18.09 | 2 | 46.3 |
| LD80-1B56T-BS | 56 | B | 18.41 | 2 | 47.3 |
| LD80-1B57T-BS | 57 | B | 18.73 | 2 | 18.9 |
| LD80-1B58T-BS | 58 | B | 19.04 | 2 | 50.6 |
| LD80-1B59T-BS | 59 | B | 19.36 | 2 | 52.2 |
| LD80-1B60T-BS | 60 | B | 19.68 | 2 | 58.8 |
| 成品孔產品(包含:鍵槽和2個固定螺栓) |
|
|
| 1 | 1 1/8 | 1 3/16 | 1 1/4 |
|
|
|
|
|
|
|
|
|
|
|
| 1 | 1 1/8 | 1 3/16 | 1 1/4 |
|
|
|
|
|
|
|
|
|
|
|
|
|
| 1 1/4 |
|
|
|
|
|
|
|
|
|
|
|
| 1 | 1 1/8 | 1 3/16 | 1 1/4 | 1 3/8 | 1 7/16 | 1 1/2 |
|
|
|
|
|
|
|
|
|
|
| 1 1/4 |
|
|
|
|
|
|
|
|
|
|
|
| 1 | 1 1/8 | 1 3/16 | 1 1/4 | 1 3/8 | 1 7/16 | 1 1/2 | 1 5/8 | 1 3/4 |
|
|
|
|
|
|
|
|
| 1 1/4 |
|
|
|
|
|
|
|
|
|
|
|
| 1 | 1 1/8 | 1 3/16 | 1 1/4 | 1 3/8 | 1 7/16 | 1 1/2 | 1 5/8 | 1 3/4 | 1 7/8 | 1 15/16 | 2 |
|
|
|
| 1 | 1 1/8 | 1 3/16 | 1 1/4 | 1 3/8 | 1 7/16 | 1 1/2 | 1 5/8 | 1 3/4 | 1 7/8 | 1 15/16 | 2 |
|
|
|
| 1 | 1 1/8 | 1 3/16 | 1 1/4 | 1 3/8 | 1 7/16 | 1 1/2 | 1 5/8 | 1 3/4 | 1 7/8 | 1 15/16 | 2 |
|
|
|
|
|
| 1 1/4 |
|
|
|
|
|
|
|
|
|
|
|
| 1 |
| 1 3/16 | 1 1/4 | 1 3/8 | 1 7/16 | 1 1/2 | 1 5/8 | 1 3/4 |
| 1 15/16 | 2 | 2 3/16 |
|
|
| 1 |
| 1 3/16 | 1 1/4 | 1 3/8 | 1 7/16 | 1 1/2 | 1 5/8 | 1 3/4 |
| 1 15/16 | 2 | 2 3/16 | 2 7/16 |
|
| 1 |
| 1 3/16 | 1 1/4 | 1 3/8 | 1 7/16 | 1 1/2 | 1 5/8 | 1 3/4 |
| 1 15/16 | 2 | 2 3/16 | 2 7/16 |
|
|
|
| 1 1/4 |
|
| 1 1/2 |
|
|
|
|
|
|
|
|
| 1 |
| 1 3/16 | 1 1/4 | 1 3/8 | 1 7/16 | 1 1/2 | 1 5/8 | 1 3/4 |
| 1 15/16 | 2 | 2 3/16 | 2 7/16 |
|
| 1 |
| 1 3/16 | 1 1/4 | 1 3/8 | 1 7/16 | 1 1/2 | 1 5/8 | 1 3/4 |
| 1 15/16 | 2 | 2 3/16 | 2 7/16 |
|
| 1 |
| 1 3/16 | 1 1/4 | 1 3/8 | 1 7/16 | 1 1/2 | 1 5/8 | 1 3/4 |
| 1 15/16 | 2 | 2 3/16 | 2 7/16 |
|
| 1 |
| 1 3/16 | 1 1/4 | 1 3/8 | 1 7/16 | 1 1/2 | 1 5/8 | 1 3/4 |
| 1 15/16 | 2 | 2 3/16 | 2 7/16 |
|
| 1 |
| 1 3/16 | 1 1/4 | 1 3/8 | 1 7/16 | 1 1/2 | 1 5/8 | 1 3/4 |
| 1 15/16 | 2 | 2 3/16 | 2 7/16 |
|
| 1 |
| 1 3/16 | 1 1/4 | 1 3/8 | 1 7/16 | 1 1/2 | 1 5/8 | 1 3/4 |
| 1 15/16 | 2 | 2 3/16 | 2 7/16 |
|
| 1 |
| 1 3/16 | 1 1/4 | 1 3/8 | 1 7/16 | 1 1/2 | 1 5/8 | 1 3/4 |
| 1 15/16 | 2 | 2 3/16 | 2 7/16 |
|
|
|
| 1 1/4 | 1 3/8 | 1 7/16 | 1 1/2 | 1 5/8 | 1 3/4 |
| 1 15/16 | 2 | 2 3/16 | 2 7/16 | 2 15/16 |
|
|
| 1 1/4 | 1 3/8 | 1 7/16 | 1 1/2 | 1 5/8 | 1 3/4 |
| 1 15/16 | 2 | 2 3/16 | 2 7/16 | 2 15/16 |
|
|
| 1 1/4 | 1 3/8 | 1 7/16 | 1 1/2 | 1 5/8 | 1 3/4 |
| 1 15/16 | 2 | 2 3/16 | 2 7/16 | 2 15/16 |
|
|
| 1 1/4 | 1 3/8 | 1 7/16 | 1 1/2 | 1 5/8 | 1 3/4 |
| 1 15/16 | 2 | 2 3/16 | 2 7/16 | 2 15/16 |
|
|
| 1 1/4 | 1 3/8 | 1 7/16 | 1 1/2 | 1 5/8 | 1 3/4 |
| 1 15/16 | 2 | 2 3/16 | 2 7/16 | 2 15/16 |
|
|
| 1 1/4 | 1 3/8 | 1 7/16 | 1 1/2 | 1 5/8 | 1 3/4 |
| 1 15/16 | 2 | 2 3/16 | 2 7/16 | 2 15/16 |
|
|
| 1 1/4 | 1 3/8 | 1 7/16 | 1 1/2 | 1 5/8 | 1 3/4 |
| 1 15/16 | 2 | 2 3/16 | 2 7/16 | 2 15/16 |
|
|
| 1 1/4 | 1 3/8 | 1 7/16 | 1 1/2 | 1 5/8 | 1 3/4 |
| 1 15/16 | 2 | 2 3/16 | 2 7/16 | 2 15/16 |
|
|
| 1 1/4 | 1 3/8 | 1 7/16 | 1 1/2 | 1 5/8 | 1 3/4 |
| 1 15/16 | 2 | 2 3/16 | 2 7/16 | 2 15/16 |
|
|
| 1 1/4 | 1 3/8 | 1 7/16 | 1 1/2 | 1 5/8 | 1 3/4 |
| 1 15/16 | 2 | 2 3/16 | 2 7/16 | 2 15/16 |
|
|
| 1 1/4 | 1 3/8 | 1 7/16 | 1 1/2 | 1 5/8 | 1 3/4 |
| 1 15/16 | 2 | 2 3/16 | 2 7/16 | 2 15/16 |
|
|
| 1 1/4 | 1 3/8 | 1 7/16 | 1 1/2 | 1 5/8 | 1 3/4 |
| 1 15/16 | 2 | 2 3/16 | 2 7/16 | 2 15/16 |
|
|
| 1 1/4 | 1 3/8 | 1 7/16 | 1 1/2 | 1 5/8 | 1 3/4 |
| 1 15/16 | 2 | 2 3/16 | 2 7/16 | 2 15/16 |
|
|
| 1 1/4 | 1 3/8 | 1 7/16 | 1 1/2 | 1 5/8 | 1 3/4 |
| 1 15/16 | 2 | 2 3/16 | 2 7/16 | 2 15/16 |
|
|
| 1 1/4 | 1 3/8 | 1 7/16 | 1 1/2 | 1 5/8 | 1 3/4 |
| 1 15/16 | 2 | 2 3/16 | 2 7/16 | 2 15/16 |
|
|
|
| 1 3/8 | 1 7/16 | 1 1/2 | 1 5/8 | 1 3/4 |
| 1 15/16 | 2 | 2 3/16 | 2 7/16 | 2 15/16 |
|
|
|
| 1 3/8 | 1 7/16 | 1 1/2 | 1 5/8 | 1 3/4 |
| 1 15/16 | 2 | 2 3/16 | 2 7/16 | 2 15/16 |
|
|
|
| 1 3/8 | 1 7/16 | 1 1/2 | 1 5/8 | 1 3/4 |
| 1 15/16 | 2 | 2 3/16 | 2 7/16 | 2 15/16 |
|
|
|
| 1 3/8 | 1 7/16 | 1 1/2 | 1 5/8 | 1 3/4 |
| 1 15/16 | 2 | 2 3/16 | 2 7/16 | 2 15/16 |
|
|
|
| 1 3/8 | 1 7/16 | 1 1/2 | 1 5/8 | 1 3/4 |
| 1 15/16 | 2 | 2 3/16 | 2 7/16 | 2 15/16 |
|
|
|
| 1 3/8 | 1 7/16 | 1 1/2 | 1 5/8 | 1 3/4 |
| 1 15/16 | 2 | 2 3/16 | 2 7/16 | 2 15/16 |
|
|
|
| 1 3/8 | 1 7/16 | 1 1/2 | 1 5/8 | 1 3/4 |
| 1 15/16 | 2 | 2 3/16 | 2 7/16 | 2 15/16 |
|
|
|
| 1 3/8 | 1 7/16 | 1 1/2 | 1 5/8 | 1 3/4 |
| 1 15/16 | 2 | 2 3/16 | 2 7/16 | 2 15/16 |
|
|
|
| 1 3/8 | 1 7/16 | 1 1/2 | 1 5/8 | 1 3/4 |
| 1 15/16 | 2 | 2 3/16 | 2 7/16 | 2 15/16 |
|
|
|
| 1 3/8 | 1 7/16 | 1 1/2 | 1 5/8 | 1 3/4 |
| 1 15/16 | 2 | 2 3/16 | 2 7/16 | 2 15/16 |
|
|
|
| 1 3/8 | 1 7/16 | 1 1/2 | 1 5/8 | 1 3/4 |
| 1 15/16 | 2 | 2 3/16 | 2 7/16 | 2 15/16 |
|
|
|
| 1 3/8 | 1 7/16 | 1 1/2 | 1 5/8 | 1 3/4 |
| 1 15/16 | 2 | 2 3/16 | 2 7/16 | 2 15/16 |
|
|
|
| 1 3/8 | 1 7/16 | 1 1/2 | 1 5/8 | 1 3/4 |
| 1 15/16 | 2 | 2 3/16 | 2 7/16 | 2 15/16 |
|
|
|
| 1 3/8 | 1 7/16 | 1 1/2 | 1 5/8 | 1 3/4 |
| 1 15/16 | 2 | 2 3/16 | 2 7/16 | 2 15/16 |
|
|
|
| 1 3/8 | 1 7/16 | 1 1/2 | 1 5/8 | 1 3/4 |
| 1 15/16 | 2 | 2 3/16 | 2 7/16 | 2 15/16 |
|
|
|
| 1 3/8 | 1 7/16 | 1 1/2 | 1 5/8 | 1 3/4 |
| 1 15/16 | 2 | 2 3/16 | 2 7/16 | 2 15/16 |
|
|
|
| 1 3/8 | 1 7/16 | 1 1/2 | 1 5/8 | 1 3/4 |
| 1 15/16 | 2 | 2 3/16 | 2 7/16 | 2 15/16 |
|
|
|
| 1 3/8 | 1 7/16 | 1 1/2 | 1 5/8 | 1 3/4 |
| 1 15/16 | 2 | 2 3/16 | 2 7/16 | 2 15/16 |
|
|
|
| 1 3/8 | 1 7/16 | 1 1/2 | 1 5/8 | 1 3/4 |
| 1 15/16 | 2 | 2 3/16 | 2 7/16 | 2 15/16 |
|
|
|
| 1 3/8 | 1 7/16 | 1 1/2 | 1 5/8 | 1 3/4 |
| 1 15/16 | 2 | 2 3/16 | 2 7/16 | 2 15/16 |
*:W=Wince,為提升鏈用鏈輪

齒部硬化規格
節距1 滾子直徑0.625" 齒寬B1 0.575"
| 隆德型號 | 齒數 | 輪轂類型 | 外徑 | 高度 | 重量 | 成品孔產品(包含:鍵槽和2個固定螺栓) |
| Z | type | De | H | lbs. |
| in. | in. |
| LD80-1B9TH-BS | 9 | B | 3.5 | 1 5/8 | 1.6 |
| 1 | 1 1/8 | 1 3/16 | 1 1/4 |
|
|
|
|
|
|
|
|
|
|
| LD80-1B10TH-BS | 10 | B | 3.68 | 1 5/8 | 1.7 |
| 1 | 1 1/8 | 1 3/16 | 1 1/4 |
|
|
|
|
|
|
|
|
|
|
| LD80-1B11TH-BS | 11 | B | 4.01 | 1 5/8 | 1.8 |
| 1 | 1 1/8 | 1 3/16 | 1 1/4 | 1 3/8 | 1 7/16 | 1 1/2 | 1 5/8 |
|
|
|
|
|
|
| LD80-1B12TH-BS | 12 | B | 4.33 | 1 5/8 | 3 |
| 1 | 1 1/8 | 1 3/16 | 1 1/4 | 1 3/8 | 1 7/16 | 1 1/2 | 1 5/8 | 1 3/4 |
|
|
|
|
|
| LD80-1B13TH-BS | 13 | B | 4.66 | 1 1/2 | 3.5 |
| 1 | 1 1/8 | 1 3/16 | 1 1/4 | 1 3/8 | 1 7/16 | 1 1/2 | 1 5/8 | 1 3/4 | 1 7/8 | 1 15/16 | 2 |
|
|
| LD80-1B14TH-BS | 14 | B | 4.98 | 1 1/2 | 4.1 |
| 1 | 1 1/8 | 1 3/16 | 1 1/4 | 1 3/8 | 1 7/16 | 1 1/2 | 1 5/8 | 1 3/4 | 1 7/8 | 1 15/16 | 2 |
|
|
| LD80-1B15TH-BS | 15 | B | 5.3 | 1 1/2 | 5.2 |
| 1 | 1 1/8 | 1 3/16 | 1 1/4 | 1 3/8 | 1 7/16 | 1 1/2 | 1 5/8 | 1 3/4 | 1 7/8 | 1 15/16 | 2 |
|
|
| LD80-1B16TH-BS | 16 | B | 5.63 | 1 1/2 | 6.1 |
| 1 |
|
| 1 1/4 | 1 3/8 | 1 7/16 | 1 1/2 | 1 5/8 | 1 3/4 |
| 1 15/16 | 2 |
|
|
| LD80-1B17TH-BS | 17 | B | 5.95 | 1 1/2 | 7 |
| 1 |
|
| 1 1/4 | 1 3/8 | 1 7/16 | 1 1/2 | 1 5/8 | 1 3/4 |
| 1 15/16 | 2 | 2 7/16 |
|
| LD80-1B18TH-BS | 18 | B | 6.27 | 1 1/2 | 7.8 |
| 1 |
|
| 1 1/4 | 1 3/8 | 1 7/16 | 1 1/2 | 1 5/8 | 1 3/4 |
| 1 15/16 | 2 | 2 7/16 |
|
| LD80-1B19TH-BS | 19 | B | 6.59 | 1 1/2 | 8.3 |
|
|
|
| 1 1/4 | 1 3/8 | 1 7/16 | 1 1/2 | 1 5/8 | 1 3/4 |
| 1 15/16 | 2 | 2 7/16 |
|
| LD80-1B20TH-BS | 20 | B | 6.91 | 1 1/2 | 9.5 |
|
|
|
|
| 1 3/8 | 1 7/16 | 1 1/2 | 1 5/8 | 1 3/4 |
| 1 15/16 | 2 | 2 7/16 |
|

提升鏈鏈用鏈輪齒部無硬化規格
節距1 滾子直徑0.625" 齒寬b1 0.575" B1 0.575" B2 1.710"
| 隆德型號 | 齒數 | 輪轂類型 | 外徑 | 高度 | 重量 | 成品孔包含鍵槽(見腳注)固定螺栓與鍵槽成90° |
| Z | type | De | H | lbs. |
| in. | in. |
| LD80-1B10T-WBS | 10 | B | 3.68 | 1 5/8 | 1.7 |
| 1 1/4 |
|
|
|
|
|
|
|
|
|
|
|
|
|
| LD80-1B11T-WBS | 11 | B | 4.01 | 1 5/8 | 1.8 |
| 1 1/4 |
|
|
|
|
|
|
|
|
|
|
|
|
|
| LD80-1B12T-WBS | 12 | B | 4.33 | 1 5/8 | 3 |
| 1 1/4 |
|
|
|
|
|
|
|
|
|
|
|
|
|
| LD80-1B15T-WBS | 15 | B | 5.3 | 1 1/2 | 5.2 |
| 1 1/4 |
|
|
|
|
|
|
|
|
|
|
|
|
|
| LD80-1B18T-WBS | 18 | B | 6.27 | 1 1/2 | 7.8 |
| 1 1/4 | 1 1/2 |
|
|
|
|
|
|
|
|
|
|
|
|

提升鏈鏈用鏈輪齒部硬化規格
節距1 滾子直徑0.625" 齒寬b1 0.575" B1 0.575" B2 1.710"
| 隆德型號 | 齒數 | 輪轂類型 | 外徑 | 高度 | 重量 | 成品孔包含鍵槽(見腳注)固定螺栓與鍵槽成90° |
| Z | type | De | H | lbs. |
| in. | in. |
| LD80-1B12TH-WBS | 12 | B | 3.68 | 2 1/2 | 5.2 |
| 1 1/4 | 1 1/2 | 1 3/4 |
|
|
|
|
|
|
|
|
|
|
|
| LD80-1B15TH-WBS | 15 | B | 5.3 | 2 1/2 | 9.2 |
| 1 1/4 | 1 1/2 | 1 3/4 |
|
|
|
|
|
|
|
|
|
|
|
| LD80-1B18TH-WBS | 18 | B | 6.27 | 2 3/4 | 13.5 |
| 1 1/2 | 1 3/4 | 2 |
|
|
|
|
|
|
|
|
|
|
|
| LD80-1B20TH-WBS | 20 | B | 6.91 | 2 3/4 | 16.2 |
| 1 1/2 | 1 3/4 | 2 |
|
|
|
|
|
|
|
|
|
|
|
| LD80-1B24TH-WBS | 24 | B | 8.2 | 2 3/4 | 23.2 |
| 1 1/2 |
| 2 |
|
|
|
|
|
|
|
|
|
|
|
*:成品孔 孔徑:1 1/4" 鍵槽尺寸5/16×5/32",螺紋孔與鍵槽成90°角。
成品孔 孔徑:1 1/2"鍵槽尺寸5/16×5/32",螺紋孔與鍵槽成90°角。
成品孔 孔徑:1 3/4"鍵槽尺寸3/8×3/16",螺紋孔與鍵槽成90°角。
成品孔 孔徑:2"鍵槽尺寸3/8×3/16",螺紋孔與鍵槽成90°角。
鍵槽在齒中心線上
※以上尺寸單位都為英寸,重量單位都為磅;1英寸(in)=25.4毫米(mm),1磅(lb)=0.4535924千克(kg)。鏈輪材質為45#。